CHAINTECH COMPUTER COMPANY, LTD.

CT-6BTM

Device Type

Mainboard

Processor

Pentium II

Processor Speed

233/266/300/333/350/366/400/450MHz

Chip Set

Intel 440BX

Video Chip Set

None

Maximum Onboard Memory

512MB (SDRAM supported)

Maximum Video Memory

None

Cache

256/512KB (located on Pentium II CPU)

BIOS

Award

Dimensions

305mm x 220mm

I/O Options

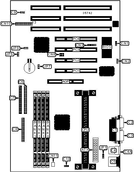
32-bit PCI slots (4), floppy drive interface, green PC connector, IDE interfaces (2), parallel port, PS/2 mouse port, serial ports (2), IR connector, USB connectors (2), ATX power connector, AGP slot, SB-link connector, wake on LAN connector

CONNECTIONS

Purpose

Location

Purpose

Location

AGP slot

AGP

Chassis intrusion connector

CN1

ATX power connector

ATX

Wake on LAN connector

CN2

Parallel port

C1

IR connector

CN3

Serial port 2

C2

SB-link connector

CN8

Serial port 1

C3

Power LED & keylock

CN10/pins 1 – 5

USB connector 1

C4

Speaker

CN10/pins 7 – 10

USB connector 2

C4A

Soft off power supply

CN10/pins 11 & 12

PS/2 mouse port

C5

Turbo LED

CN10/pins 13 & 14

IDE interface 1

C6

Green PC connector

CN10/pins 16 & 17

IDE interface 2

C7

Green PC LED

CN10/pins 18 & 19

Floppy drive interface

C8

Reset switch

CN10/pins 21 & 22

Chassis fan power

C9

IDE interface LED

CN10/pins 23 & 24

CPU fan power

C10

32-bit PCI slots

PC1 – PC4

USER CONFIGURABLE SETTINGS

Function

Label

Position

»

Factory configured - do not alter

CN11

Unidentified

»

Keyboard power on disabled

JP1

Pins 1 & 2 closed

 

Keyboard power on enabled

JP1

Pins 2 & 3 closed

»

CMOS memory normal operation

JP6

Pins 1 & 2 closed

 

CMOS memory clear

JP6

Pins 2 & 3 closed

»

Factory configured - do not alter

JP7

Unidentified

 

Power failure recovery disabled

JP8

Pins 1 & 2 closed

 

Power failure recovery enabled

JP8

Pins 2 & 3 closed

DIMM CONFIGURATION

Size

Bank 0

Bank 1

Bank 2

Bank 3

16MB

(1) 2M x 64

None

None

None

32MB

(1) 4M x 64

None

None

None

32MB

(1) 2M x 64

(1) 2M x 64

None

None

48MB

(1) 4M x 64

(1) 2M x 64

None

None

48MB

(1) 2M x 64

(1) 2M x 64

(1) 2M x 64

None

64MB

(1) 2M x 64

(1) 2M x 64

(1) 2M x 64

(1) 2M x 64

64MB

(1) 8M x 64

None

None

None

64MB

(1) 4M x 64

(1) 4M x 64

None

None

DIMM CONFIGURATION (CON’T)

Size

Bank 0

Bank 1

Bank 2

Bank 3

80MB

(1) 8M x 64

(1) 2M x 64

None

None

96MB

(1) 8M x 64

(1) 4M x 64

None

None

96MB

(1) 4M x 64

(1) 4M x 64

(1) 4M x 64

None

128MB

(1) 16M x 64

None

None

None

128MB

(1) 8M x 64

(1) 8M x 64

None

None

128MB

(1) 4M x 64

(1) 4M x 64

(1) 4M x 64

(1) 4M x 64

144MB

(1) 16M x 64

(1) 2M x 64

None

None

160MB

(1) 16M x 64

(1) 4M x 64

None

None

176MB

(1) 16M x 64

(1) 2M x 64

(1) 2M x 64

(1) 2M x 64

192MB

(1) 16M x 64

(1) 8M x 64

None

None

192MB

(1) 8M x 64

(1) 8M x 64

(1) 8M x 64

None

224MB

(1) 16M x 64

(1) 4M x 64

(1) 4M x 64

(1) 4M x 64

256MB

(1) 16M x 64

(1) 16M x 64

None

None

256MB

(1) 8M x 64

(1) 8M x 64

(1) 8M x 64

(1) 8M x 64

288MB

(1) 16M x 64

(1) 16M x 64

(1) 2M x 64

(1) 2M x 64

320MB

(1) 16M x 64

(1) 16M x 64

(1) 4M x 64

(1) 4M x 64

320MB

(1) 16M x 64

(1) 8M x 64

(1) 8M x 64

(1) 8M x 64

384MB

(1) 16M x 64

(1) 16M x 64

(1) 16M x 64

None

512MB

(1) 16M x 64

(1) 16M x 64

(1) 16M x 64

(1) 16M x 64

Note: Board accepts SDRAM memory.

CACHE CONFIGURATION

Note: 256KB/512KB cache is located on the Pentium II CPU.