POWERCOM AMERICA, INC.

9624 POCKET

Card Type

Fax, Modem (asynchronous)

Chip Set

Unidentified

Maximum Data Rate

2400bps

Maximum Fax Rate

9600bps

Data Bus

External

Fax Class

Class I

Data Modulation Protocol

Bell 103/212A

ITU-T V.21, V.22, V.22bis, V.23

Fax Modulation Protocol

ITU-T V.21CH2, V.27ter, V.29

Error Correction/Compression

MNP5, V.42bis

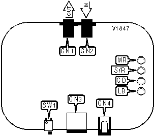
CONNECTIONS

Function

Label

Function

Label

Line out

CN1

DC power

CN4

Line in

CN2

Power switch

SW1

RS-232D

CN3

   

DIAGNOSTIC LED(S)

LED

Color

Status

Condition

LB

Red

On

9VDC battery power exhausted

LB

Red

Off

9VDC battery power OK

CD

Red

On

Carrier signal detected

CD

Red

Off

Carrier signal not detected

S/R

Red

On

Modem is receiving or transmitting data

S/R

Red

Off

Modem is not receiving or transmitting data

MR

Red

On

Power is on

MR

Red

Off

Power is off

MISCELLANEOUS TECHNICAL NOTES

Note: On US models; V.23, MNP5, V.42, V.42bis is not applicable.

Proprietary AT Command Set

See document V1833 for a full command summary.